
MIL-DTL-17902G(SH)
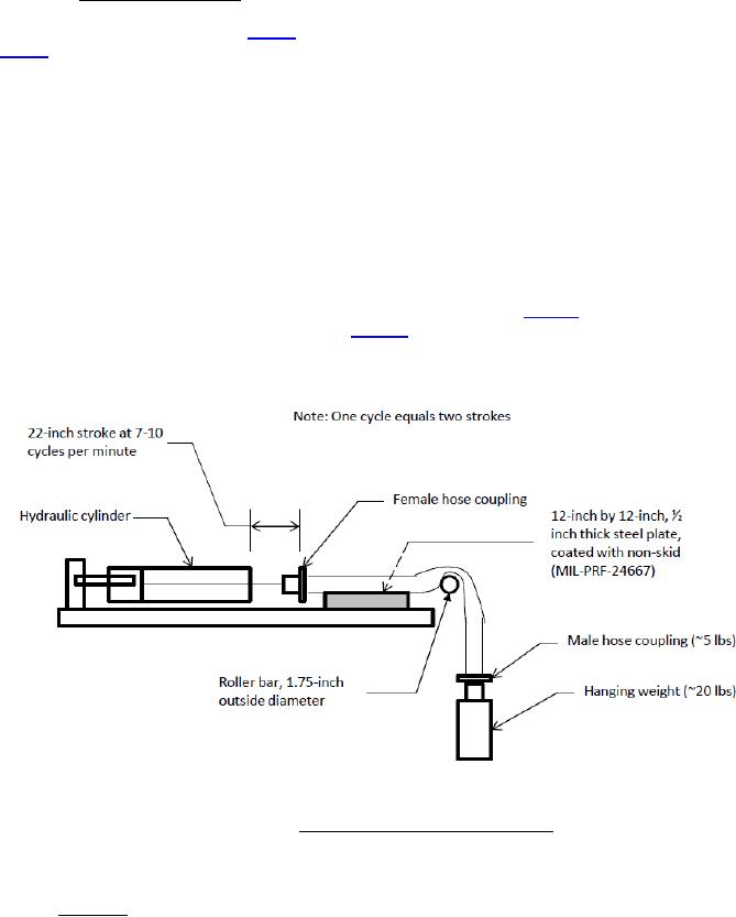
4.5.12 Abrasion test (non-skid). This test applies to both collapsible and non-collapsible hose or assemblies.
Similar to the flattening test in 4.5.11, one hose assembly shall be constructed for this test using the approved brass
male coupling body, per item (11) of table V on one end, and the brass female coupling body, per item (17) of
table V on the other end, without installing the control cable and spider assembly. The length of the hose shall be
built with a minimum free hose length of 30 inches between each hose coupling, providing an overall length of
40⅛ inches from the end of each coupling. The female coupling end of the assembly is attached to a hydraulic
cylinder and the male coupling end is extended straight over a roller bar, having a 1¾-inch outside diameter. A
counterweight, hanging, is connected to the male coupling end of the hose assembly, which hangs freely from the
roller bar. Provisions shall be taken to ensure complete contact of the test specimen to the non-skid coated plate
throughout the test.
The exterior of the assembly shall be subjected to a rubbing-effect against a 12-inch by 12-inch plate, ½-inch
thick steel, coated with shipboard non-skid (MIL-PRF-24667) via a 22-inch stroke of a hydraulic cylinder, which
forces the back-and-forth. One complete cycle is one forward and one reverse stroke. The test shall be conducted at
a rate between 7 to 10 cycles per minute for a total of 2000 cycles. Upon completion of the abrasion test (non-skid),
the hose exterior shall be examined for any signs of abnormal wear. The most minimum failure is indication of
visible reinforcement threads. If there are no signs of abnormal wear, the hose assembly shall then be subjected to
proof pressure testing of 4.5.4 to hydrostatic proof pressure in accordance with table VI. The hose shall be
examined for leakage or other signs of failure areas. Figure 9 depicts the test configuration.
FIGURE 9. Abrasion test (non-skid) configuration.
5. PACKAGING
5.1 Packaging. For acquisition purposes, the packaging requirements shall be as specified in the contract or
order (see 6.2). When packaging of materiel is to be performed by DoD or in-house contractor personnel, these
personnel need to contact the responsible packaging activity to ascertain packaging requirements. Packaging
requirements are maintained by the Inventory Control Point s packaging activities within the Military Service or
Defense Agency, or within the military service s system commands. Packaging data retrieval is available from the
managing Military Department s or Defense Agency s automated packaging files, CD-ROM products, or by
contacting the responsible packaging activity.
22
For Parts Inquires call Parts Hangar, Inc (727) 493-0744
© Copyright 2015 Integrated Publishing, Inc.
A Service Disabled Veteran Owned Small Business