
MIL-DTL-17902G(SH)
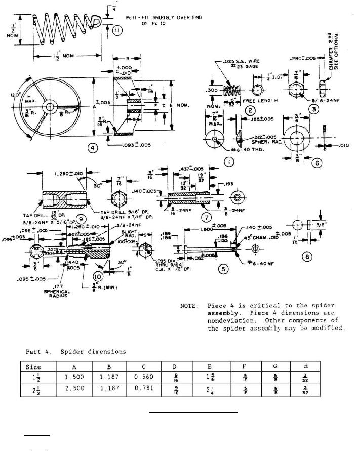
FIGURE 5. Spider assembly components.
3.4 Marking.
3.4.1 Hose. Each length of hose shall be permanently marked by one of the two following methods at the
option of the hose manufacturer:
a.
Two brands inlaid and vulcanized to the cover, one brand approximately 4 feet from each end.
b.
Continuous embossed lay line.
12
For Parts Inquires call Parts Hangar, Inc (727) 493-0744
© Copyright 2015 Integrated Publishing, Inc.
A Service Disabled Veteran Owned Small Business