
MIL-DTL-28693A
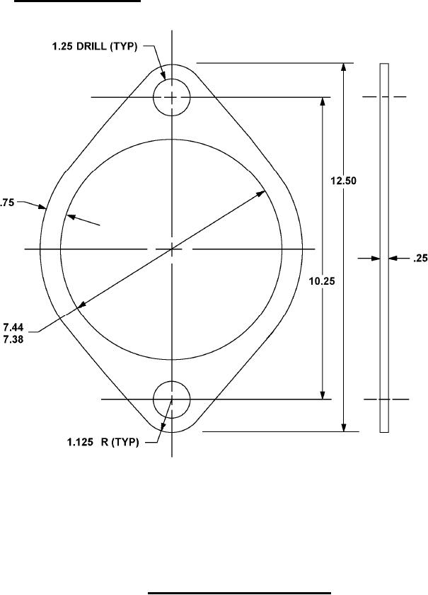
3.6.9 Hose support ring (RHS-6). One hose support ring (RHS-6), as specified on figure 2 shall be
provided per 100 foot (30.5 m) section of hose for installation. The inner diameter of the hose support
ring shall not change greater than 5 percent with a load of 6,000 lb (2.72 Mg) when tested in 4.7.10.
Inches
mm
19.05
.75
28.58
1.125
NOTES:
31.75
1.25
1. Dimensions are in inches
187.45
7.38
2. Metric equivalents are given for information only.
188.98
7.44
3. Mechanically formed preferred to torch cutting.
260.35
10.25
4. 1/32 inch x 45º chamfer each side of 1.25 inch (31.75 mm) holes.
317.50
12.50
5. Steel plate in accordance with ASTM A572/A572M grade 50 or higher.
6. Galvanize after fabrication in accordance with ASTM A153/A153M.
FIGURE 2. Ring, hose support (Mark No. RHS - 6).
8
For Parts Inquires call Parts Hangar, Inc (727) 493-0744
© Copyright 2015 Integrated Publishing, Inc.
A Service Disabled Veteran Owned Small Business